Peças


Yamaha
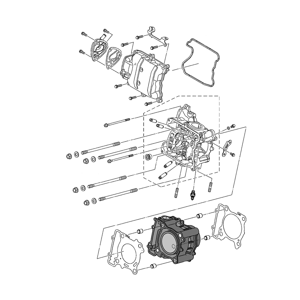
Biela do motor - XMAX
R$ 1.542,30à vista

Produtos
TODOS OS MODELOS

















Peças
Concessionárias
Yamalube

O LUBRIFICANTE IDEAL PARA TODAS AS MOTOS

A LINHA COMPLETA DE MANUTENÇÃO E CUIDADOS PARA TODAS AS MOTOS
Ofertas


| Modelos Aplicáveis | Ano |
|---|---|
| XMAX | 2021 | 2022 | 2023 | 2024 |
| Id do produto | 51868 |
| Código de Referência | B74E74210000 |









Sobre o Produto
Conheça o Óleo Lubrificante Yamalube Mineral SAE 20W50, API SL, JASO MA2
Agora ainda mais completa, a nova Fluo ABS Hybrid Connected chegou com um design moderno, com farol de LED e DRL com lente na cor azul, novos recursos e muito mais tecnologia para recarregar sua energia no dia a dia.


Os Melhores Produtos Para Cuidar da sua Moto